您的位置:首页 >动态要闻>详细内容

喜报!我中心顺利获得多项新资质!

作者: 来源:上海嘉定 发布时间:2022-08-08 10:00 浏览次数: 【字体:

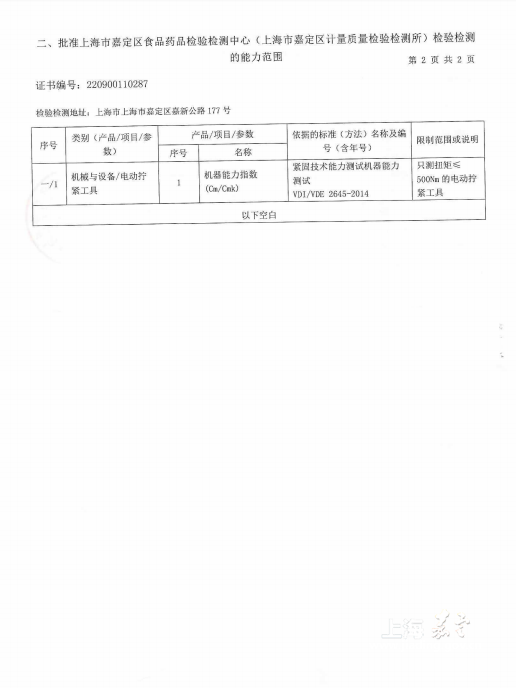
为了进一步规范检验检测行为,加强质量管理,全面提高检验检测技术水平及工作质量,我中心于七月上旬向上海市市场监督管理局申请资质认定扩项。在我中心全员大力配合下,顺利通过此次评审。共涉及药品、机械与设备、食品和化妆品销售包装12项检测能力扩项,7个标准。


自2022年7月29日起,我中心可承接以下业务。


3333242bc877469d8a8ba056f4dfd093.png

1c02a73967b94be4b887f5d56d836f41.png

995b1a8eb53d48f1a6e361fd402d1212.png

228610614db449239269e868c822105d.png


分享到:
【打印正文】